Скрипт Exzotron/EX_Klapan используется для автоматического управления отсечным электромагнитным клапаном, установленным перед счётчиком топлива.
Его цель — предотвратить попадание воздуха в топливную магистраль во время перекачки и обеспечить точность измерений.
Когда в газоотделитель попадает смесь топлива с воздухом, давление в системе падает.
Датчик давления (например, ДДМ-03Т-1600-ДИ) регистрирует это изменение и подаёт сигнал на трекер Galileosky.
Скрипт анализирует сигнал и управляет состоянием OUT3 (реле клапана) в зависимости от пороговых значений давления.

script Exzotron/EX_Klapan
Состав оборудования
| № | Компонент | Назначение |
| 1 | Трекер Galileosky 10/7x | Контроллер управления, передача данных на сервер |
| 2 | Датчик давления ДДМ-03Т-1600-ДИ | Аналоговый датчик 4–20 мА, измеряет давление в газоотделителе |
| 3 | Резистор 100 Ом | Преобразует токовый сигнал в падение напряжения (0,4–2 В при 4–20 мА) |
| 4 | Клапан электромагнитный (12/24 В) | Перекрывает подачу воздуха в систему |
| 5 | Реле OUT3 трекера | Управление клапаном |
| 6 | Сервер мониторинга | Приём телеметрии, визуализация, управление командами |
Схема подключения
1 Аналоговый вход (IN3)
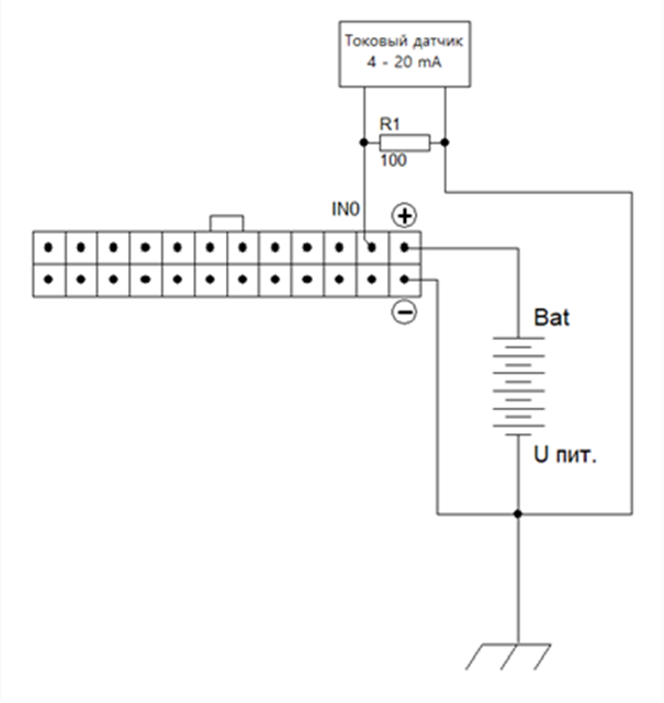
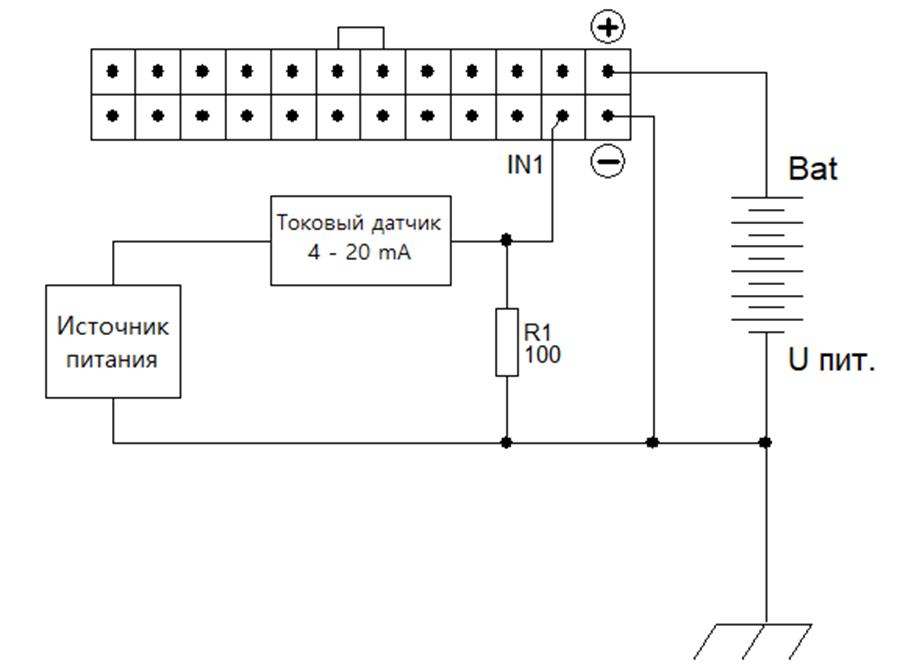
Подключение датчика давления:
o +24 В → клемма питания датчика
o Выход датчика (токовый) → вход IN3 трекера
o Резистор 100 Ом — параллельно между IN3 и GND (минус)
o Таким образом, ток 4–20 мА преобразуется в 0,4–2,0 В, доступные для измерения трекером.
2 Управление клапаном
• OUT3 → управление реле клапана (катушка реле между OUT3 и +24 В).
• При активации OUT3 замыкается или размыкается цепь питания клапана, в зависимости от флага ReversOut.
• Для приема и обработки сигнала от токового датчика необходимо выполнить его подключение к терминалу Galileosky в соответствии со схемой:
Токовый датчик с активным выходом – датчик с собственным источником питания, дополнительный источник не нужен

Токовый датчик с пассивным выходом – датчик, для подключения которого необходим дополнительный источник питания
Принцип работы алгоритма
1. Трекер циклически считывает значение аналогового входа IN3.
2. Значение фильтруется (усреднение, длина фильтра = 5).
3. Когда давление падает ниже порога Porog - Gister, скрипт подаёт сигнал на OUT3 для закрытия клапана.
4. Когда давление снова поднимается выше Porog + Gister, OUT3 изменяет состояние (открывает клапан).
5. Все события и состояния передаются на сервер Exzotron.
Команда конфигурации SETCLAP
Формат:
SETCLAP <параметр>,<значение>
Примеры:
SETCLAP 2,480 // установить порог 480
SETCLAP 6,1 // включить реверс выхода
SETCLAP 4,3 // выбрать выход 3
Ответ терминала:
CicleT 4, Porog 480, Gister 20, Out 3, SelectIN 3, ReversOut 0, set3 0
Описание параметров:
| № | Имя | Значение по умолчанию | Назначение |
| 1 | CicleT | 4 | Время цикла (×0.25 сек) |
| 2 | Porog | 480 | Порог срабатывания (среднее значение давления) |
| 3 | Gister | 100 | Гистерезис (зона нечувствительности) |
| 4 | Out | 3 | Номер выхода для управления |
| 5 | SelectIN | 3 | Номер входа с датчиком |
| 6 | ReversOut | 0 | Реверс логики выхода (1 — инвертировать) |
| 7 | set3 | 0 | Резерв (не используется) |
Настройка в конфигураторе Galileosky
1. Подключите терминал к ПК через USB или Bluetooth.
2. Откройте Конфигуратор Galileosky → вкладка Входы/Выходы.
3. Для IN3 установите:
o Тип: Среднее значение
o Длина фильтра: 5
o Нижняя граница зоны срабатывания: 1700 мВ
o Верхняя граница зоны: 9780 мВ
4. Для OUT3 установите режим Выход управления (реле).
5. Нажмите Применить и запишите настройки в устройство.

Состояние ДАВ терминала, настроенных на работу с токовым датчиком, визуально отображается в поле Аналоговые входы на вкладке Устройство Конфигуратора:

Алгоритм порогов и гистерезиса
Допустим:
• Porog = 480
• Gister = 20
| Условие | Действие |
| IN3 < 460 | Клапан закрыт (OUT3 = 1) |
| IN3 > 500 | Клапан открыт (OUT3 = 0) |
| 460 ≤ IN3 ≤ 500 | Состояние сохраняется (без изменений) |
Такой гистерезис защищает от дребезга сигнала и ложных переключений при неустойчивом давлении.
Тестирование после установки
1. Включите питание системы.
2. Убедитесь, что при состоянии покоя значение IN3 ~480 (нормальное давление).
3. Смоделируйте подачу топлива с воздухом — давление падает, значение IN3 ↓.
4. При падении ниже порога клапан должен закрыться.
5. При восстановлении давления — открыться.
6. В приложении или на сервере Exzotron должны появляться значения входа и состояния OUT3.
Примеры команд и откликов
| Команда | Результат |
| SETCLAP 2,480 | Установлен порог 480 |
| SETCLAP 6,1 | Включен реверс выхода |
| SETCLAP 4,3 | Задан выход OUT3 |
| SETCLAP 2,500 | Увеличен порог до 500 |
| SETCLAP 6,0 | Реверс выключен |
Рекомендации инженеру
• Всегда используйте резистор 100 Ом при подключении токового датчика 4–20 мА.
• Проверяйте, что сигнал IN3 находится в диапазоне 0.4–2.0 В.
• Если сигнал "прыгает", увеличьте длину фильтра до 10.
• При смене датчика давления повторно откалибруйте пороговые значения Porog и Gister.
• Для диагностики используйте сервер 5g.exzotron.ru:8888 — там видны все поступающие данные.
• Реверс выхода (ReversOut) удобно включать, если клапан в штатном состоянии "нормально открыт".
Пример реальных параметров (по данным стенда)
CicleT = 4
Porog = 480
Gister = 20
Out = 3
SelectIN = 3
ReversOut = 0
Заключение
Алгоритм Exzotron EX_Klapan обеспечивает надёжную блокировку подачи воздуха в счётчик топлива, повышает точность учёта ГСМ и защищает оборудование от кавитации.
Решение полностью интегрировано с сервером Exzotron Bot и поддерживает удалённую настройку через Telegram и панель управления.
Автор:
ООО «ЭКЗОТРОН ТЕХНОЛОДЖИ»
Отдел систем мониторинга и автоматизации
